Профиль STRETCH-32-CEIL-CENTER-2000 BLACK (Arlight, Алюминий) 055208 в Кургане
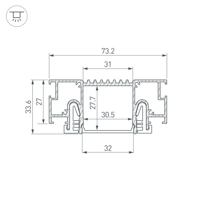
Встраиваемый алюминиевый профиль черного цвета (центральная линия) для дизайнерских решений «линии света» в натяжных потолках. Решение 2-в-1: служит каркасом для крепления натяжного потолка и профилем для установки светодиодной ленты. Подходит для тканевых и ПВХ потолков. Габаритные размеры профиля составляют 2000 мм в длину, 73,2 мм в ширину и 33,6 мм в высоту. Площадка для установки светодиодных лент позволяет использовать ленту шириной до 31 мм и мощностью до 55 Вт/м. Это обеспечивает гибкость в выборе светодиодных лент и создает потрясающие световые решения. Экран, заглушки и другие аксессуары не включены в комплект и приобретаются отдельно. Цена указана за 1 метр профиля. Отличное решение для создания современных световых проектов.
Алюминиевый профиль черного цвета для натяжных потолков (центральная линия). Решение 2-в-1 - каркас для крепления натяжного потолка и профиль для установки светодиодной ленты. Для дизайнерских решений «линии света» в натяжных потолках. Подходит для тканевых и ПВХ потолков. Монтируется к потолку накладным способом. Ширина площадки для ленты 31 мм. Длина 2000 мм. Цена за 1 м.
055208 Arlight Профиль Накладной Прямоугольный Чёрный в Кургане
Вы можете заказать Профиль Arlight с доставкой или самовывозом в Кургане
просто достаточно позвонить менеджеру и сообщить артикул товара: 055208 или оформить заказ на сайте Arlight Shop Курган
Характеристики
|
Объем м3
|
0.00474 |
|
Гарантия м.
|
24 |
|
Материал корпуса
|
Алюминий |
|
Способ монтажа
|
Накладной |
|
Назначение
|
Для натяжных потолков |
|
Форма (сечение)
|
Прямоугольный |
|
Цвет покрытия
|
Чёрный |
|
Тип товара
|
Профиль |
|
Гарантийный срок
|
2 год(а) |
|
Модельный ряд
|
STRETCH |
|
Совместимый тип полотна
|
ПВХ плёнка, ткань |
|
Система фиксации полотна
|
Прижимная |
|
КПД профиля (cветовой)
|
51 % |
|
Рассеиваемая тепловая мощность на 1м
|
max: 55 W |
|
Ширина световой линии
|
32 мм |
|
Внешний вид поверхности
|
Матовая |
|
Покрытие поверхности
|
Порошковая окраска |
|
Место установки
|
Потолок / Cтена |
|
Длина
|
2000 мм |
|
Ширина
|
73.2 мм |
|
Высота
|
33.6 мм |
|
Ширина площадки
|
31 мм |
|
Глубина установки источника света
|
27.7 мм |
|
Кратность цены за 1 м/шт
|
1 |
|
Мощность (прайс)
|
55 Вт |








